空氣質量傳感器
產品型號:TH-B6B
產品品牌:云境天合
一、空氣質量傳感器產品簡介
山東天合環境科技有限公司作為專業研發生產銷售微型氣象儀的企業,一直致力于微型氣象儀和氣象環境解決方案推廣應用。具有完整的生產鏈、實力雄厚的技術團隊和全面的營銷團隊,我們研發生產的超聲波風速風向儀、五要素微氣象儀、六要素微氣象儀和小型自動氣象站等氣象產品,已廣泛應用到氣象監測、城市環境監測、風力發電、航海船舶、航空機場、橋梁隧道等領域,客戶遍布全國各地,并取得了良好的社會效益和經濟效益。
與傳統的微型氣象儀相比,我司產品克服了對高精度計時器的需求,避免了因傳感器啟動延時、解調電路延時、溫度變化而造成的測量不準問題。
TH-WQX6B型六要素微氣象儀創新性地將空氣溫度、濕度、pm2.5、pm10、噪聲、光照通過一個高集成度結構來實現,可實現戶外氣象參數24小時連續在線監測,通過數字量通訊接口將六項參數一次性輸出給用戶。
二、空氣質量傳感器產品特點
1、空氣溫度、濕度、pm2.5、pm10、噪聲、光照六要素一體式
2、抗干擾能力強,具有看門狗電路,自動復位功能,保證系統穩定運行
3、高集成度,無移動部件,零磨損
4、免維護,無需現場校準
5、采用ASA工程塑料室外應用常年不變色
6、產品設計輸出信號標配為RS485通訊接口(MODBUS協議);可選配232、USB、以太網接口,支持數據實時讀取☆
7、可選配無線傳輸模塊,最小傳輸間隔1分鐘
三、空氣質量傳感器技術參數
1)空氣溫度:-40℃~85℃(±0.3℃);
2)空氣濕度:0~100%RH(±2%RH);
3)PM2.5:0-1000ug/m3(±15%)
4)PM10:0-1000ug/m3(±15%)
5)噪聲:30~120dB(±1.5dB)
6)光照:0-20W LUX(5%)
7)生產企業具有ISO9001質量管理體系認證和計算機軟件注冊證書
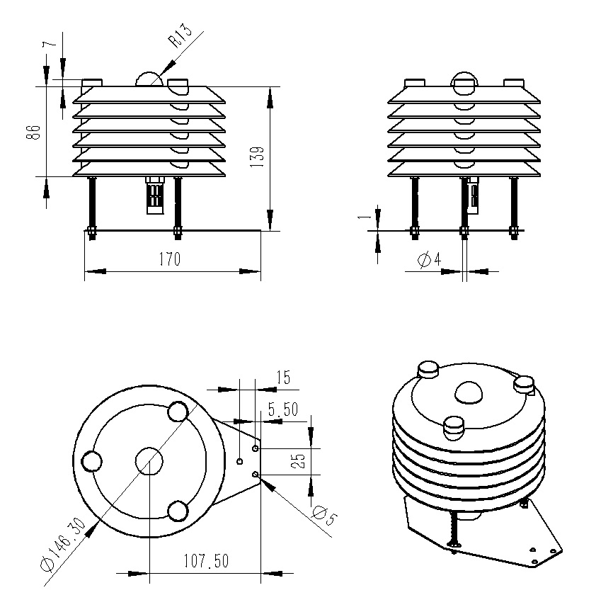
四、空氣質量傳感器產品尺寸圖

五、空氣質量傳感器產品結構圖
