氣象監測預警系統
產品型號:TH-CQX5
產品品牌:云境天合
一、氣象預警系統產品簡介
云境天合TH-CQX5氣象監測預警系統是一款使用超聲波原理測量氣象參數,并且可設定超出設置值預警的氣象監測設備,氣象監測預警系統可監測五個氣象參數,廣泛應用于農業、氣象、環保等領域。
TH-CQX5物聯網氣象站是一款高度集成、低功耗、可快速安裝、便于野外監測使用的高精度自動氣象觀測設備。
該設備免調試,可快速布置,廣泛運用于氣象、農業、林業、環保、海洋、機場、港口、科學考察、校園教育等領域。
與傳統的超聲波氣象站相比,我司產品克服了對高精度計時器的需求,避免了因傳感器啟動延時、解調電路延時、溫度變化而造成的測量不準問題。
該設備創新性的采用五要素一體式傳感器,可對風速、風向、溫度、濕度、氣壓等氣象要素進行實時觀測,可實現戶外氣象參數24小時連續在線監測,通過數字量通訊接口將五項參數一次性輸出給用戶。
二、氣象監測預警系統產品特點
1、頂蓋隱藏式超聲波探頭,避免雨雪堆積的干擾,避免自然風遮擋
2、原理為發射連續變頻超聲波信號,通過測量相對相位來檢測風速風向
3、風速、風向、溫度、濕度、氣壓五要素一體式傳感器
4、標配GPRS傳輸
5、兩米碳鋼支架,頂部無需法蘭盤可直接套接傳感器
6、傳感器外殼采用進口ASA材質,更有效對抗鹽霧等環境,防護等級達到IP65以上
三、氣象監測預警系統技術參數
1)風速:測量原理超聲波,0~70m/s(±0.1m/s);
2)風向:測量原理超聲波,0~360°(±1°);
3)空氣溫度:測量原理二極管結電壓法,-40℃~85℃(±0.3℃);
4)空氣濕度:測量原理電容式,0~100%RH(±2%RH);
5)大氣壓力:測量原理壓阻式,300hPa~1100hPa(±0.02hPa);
6)采集器供電接口:GX-12-3P插頭,輸入電壓5V,帶RS232輸出Json數據格式,采集器供電:DC5V±0.5V峰值電流1A,
7)傳感器modbus、485接口:GX-12-4P插頭,輸出供電電壓12V/1A,設備配置接口:GX-12-4P插頭,輸入電壓5V
8)太陽能供電、配置鉛酸電池,可選配30W 20AH/50W 40AH/100W 100AH.充電控制器:150W,MPPT自動功率點跟蹤,效率提高20%
9)數據上傳間隔:60s-65535s可調
10)7寸安卓觸屏,屏幕尺寸:1024*600 RGB LCD
11生產企業具有ISO9001質量管理體系認證和計算機軟件注冊證書
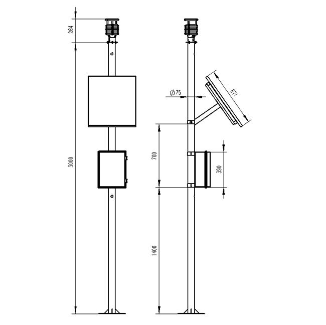
四、氣象監測預警系統產品尺寸圖

五、氣象監測預警系統產品結構圖
六、氣象監測預警系統上位機軟件介紹
1、PC單機版數據接收、存儲、查看、分析軟件
2、支持串口數據接收、處理、展示
3、支持json字符串、modbus485等通信方式
4、可自設置存儲時間,modbus485采集模式下可自設置采集時間
5、支持自助增加、刪除、修改監測參數的協議、名稱、圖標等
6、支持數據后處理功能
7、支持外置運行javascript腳本
七、氣象監測預警系統安卓APP介紹
1、安卓單機版數據接收、存儲、查看、分析軟件
2、支持藍牙數據接收
3、手機休眠后軟件后臺接收、處理
4、json數據自動添加設備,modbus設備支持掃碼添加設備
5、支持歷史數據查看、分析、導出表格,支持曲線展示、單數據點查看。
6、支持數據后處理功能
7、支持外置運行javascript腳本
八、氣象監測預警系統云平臺介紹
1、CS架構軟件平臺,支持手機、PC瀏覽器直接觀測、無需額外安裝軟件。
2、支持多帳號、多設備登錄
3、支持實時數據展示與歷史數據展示儀表板
4、云服務器、云數據存儲,穩定可靠,易于擴展,負載均衡。
5、支持短信報警及閾值設置
6、支持地圖顯示、查看設備信息。
7、支持數據曲線分析
8、支持數據導出表格形式
9、支持數據轉發,HJ-212協議,TCP轉發,http協議等。
10、支持數據后處理功能
11、支持外置運行javascript腳本